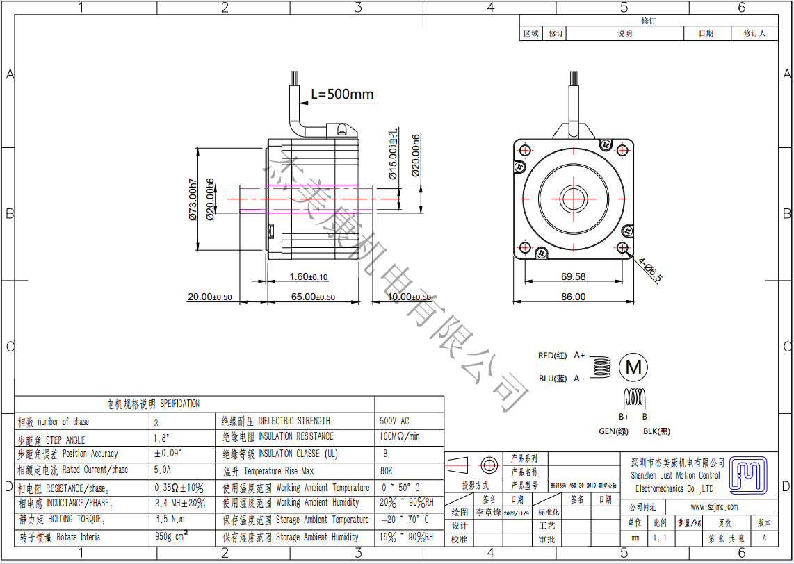
型号:iSS57SE-36-10-BS16xx-150-RC-A01
名称:一体化步进伺服丝杆电机

丝杆直径:16mm
丝杆螺距:多种螺距可选
丝杆长度:可按客户要求定制
丝杆端部加工:可按客户要求定制


型号
宣传手册
用户手册
通信手册

CE认证

CE RoHS
2D图纸
3D模型
调试
软件
设备
描述文件
iSS57SE-36-10-BS16xx-150-RC-A01
点击下载