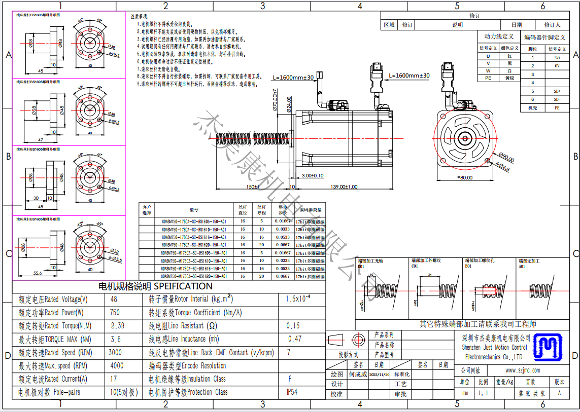
型号:80ASM750-5-17BCZ-BS16xx-150-SC-A01
名称:750W低压伺服滚珠丝杆刹车电机

丝杆直径:16mm
丝杆螺距:多种螺距可选
丝杆长度:可按客户要求定制
丝杆端部加工:可按客户要求定制


型号
宣传手册
用户手册
通信手册

CE认证

CE RoHS
2D图纸
3D模型
调试
软件
设备
描述文件
80ASM750-5-17BCZ-BS16xx-150-SC-A01
点击下载