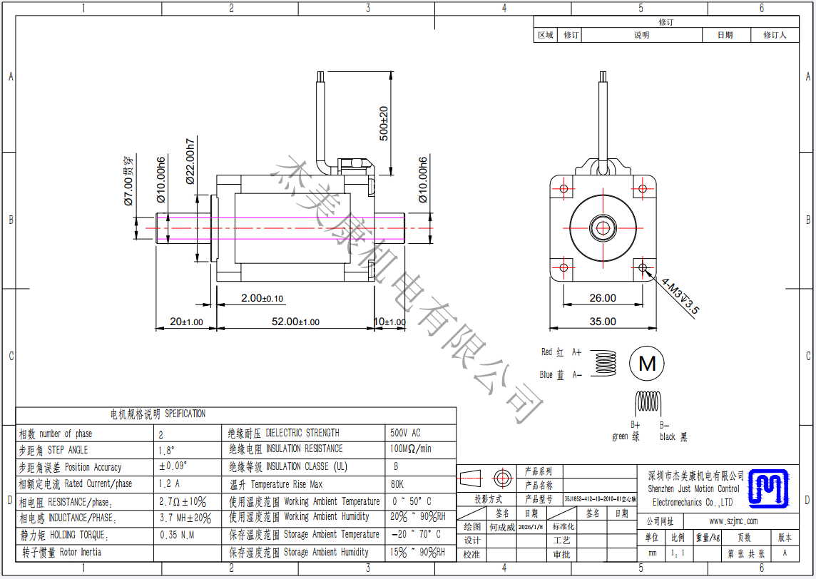
型号:35J1852-412-10-2010-01空心轴
名称:空心轴步进电机
◼ 低惯量,高精度
◼ 开环控制,定位精确
◼ 优良的转速、转矩
◼ 低噪音,运行平稳
◼ 精确定、转子,空气间隙小,可靠性高


型号
宣传手册
用户手册
通信手册

CE认证

CE RoHS
2D图纸
3D模型
调试
软件
设备
描述文件
35J1852-412-10-2010-01空心轴
点击下载